12+ 2004 grand marquis fuse box diagram

Browse Categories Answer Questions. Instrument cluster warning lamps module Overdrive control.


Ford Galaxy 1995 2006 Fuse Box Diagram Auto Genius

8 Pics about 1993 Ford Crown Victorium 4 6 Wiring Diagram - Wiring Diagram Schema.

. Marquis fuse grand mercury box diagram 1998 1997 2000 2002 1992 2003 relay 1999 crown victoria 1993 fuses. 1999 Mercury Grand Marquis Fuse Box Diagram. More about Mercury Grand Marquis fuses see our website.

2004 grand marquis fuse box diagram they quickly repair difficulties in fixtures or tools to stay away from any even further damages or security issues. 1993 Ford Crown Victorium 4 6 Wiring Diagram - Wiring Diagram Schema. Box marquis grand fuse mercury 1998 2002 diagram 1997 1992 2000 relay fuses power distribution 1999 ford hood.

2000 Grand Marquis Fuse Box Diagram Mercury Grand Marquis Second. Fuse Box Diagram Mercury Grand Marquis 1992-1997 fuse-boxinfo. Mercury Grand Marquis 2003 - 2011 Fuse Box Diagram.

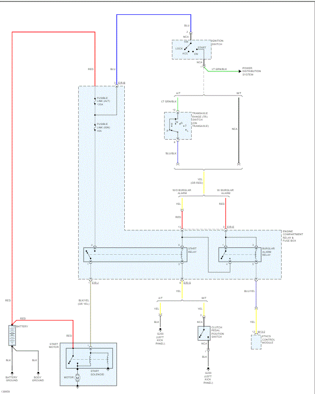
Fuse diagram for 2004 mercury marquis - Mercury Grand Marquis question. Where is the relay and fuse. The fuse box is located.

Remove the panel cover to access the fuses. Mercury Grand Marquis Car and Truck. 13 Pics about 2000 Grand Marquis Fuse Box Diagram Mercury Grand Marquis Second.

Diagrama de fusibles y relés. The fuse box is located below and to the left of the steering wheel by the brake pedal. Fuses crownvic 2005 victorium curlybobhairstyles marqui.

Where is the relay and fuse or. Marquis fuse grand mercury diagram box 1998 2002 compartment passenger. In this article you will find a description of fuses and relays Mercury with photos of block diagrams and their.


I Need To Replace The Fuses And Relays Box Located Outside The Cabin On The Left Side Of The Engine Beside The


Mercury Grand Marquis 1998 2002 Fuse Box Diagrams Youtube


My Engine Not Cranking Over Starter Not Working


Razor Manuals


Blower Motor Wiring Diagrams Ricks Free Auto Repair Advice Ricks Free Auto Repair Advice Automotive Repair Tips And How To


Ford Galaxy 1995 2006 Fuse Box Diagram Auto Genius


Mercury Grand Marquis Fuse Box Diagram


Mercury Grand Marquis Horn Not Working Causes And How To Fix It


Panther Platform Seat Swaps Faq Body And Interior Crownvic Net


Tyquiengco Aundre Tyquiengcoa Profile Pinterest


Fuse Box Location Mercury Grand Marquis 2004 Owner S Manuals 240 Pages


Fuse Box Diagram Mercury Grand Marquis 1998 2002


Mercury Grand Marquis Wire Harness Used In About 72 Or More Different Vehicles Walmart Com


Mercury Grand Marquis 1998 2002 Fuse Box Diagrams Youtube


Fuse Box Diagram Mercury Grand Marquis 1998 2002


Fuse Box Diagram Mercury Grand Marquis 1998 2002


Mercury Grand Marquis Fuse Box Diagram

Iklan Atas Artikel

Iklan Tengah Artikel 1

Iklan Tengah Artikel 2

Iklan Bawah Artikel